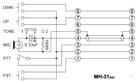
Тангента MH-31 – одна из самых распространённых среди радиолюбителей. Она применяется в трансиверах Yaesu. Многим пользователям этих тангент известно, что звучание её штатного микрофона оставляет желать лучшего. Звук слишком бубнящий, и на малой мощности работать в эфире с такой тангентой будет крайне затруднительно.
Схема этой тангенты представлена на рисунке ниже.

В интернете появилось множество статей о переделке данной тангенты для достижения лучшего звучания. Кто-то просто меняет микрофон (например, на ДЭМШ), кто-то меняет цепи коррекции на переключателе TONE, а кто-то и вовсе встраивает плату обработки голоса. Последний вариант, кстати, не распространённый и очень дорогой по цене.
Мне же попалась в продаже на сайте OZON очень интересная плата под названием «Аудио модуль микрофонного предусилителя с компрессором/шумоподавителем» на базе микросхемы SSM2167 известной фирмы Analog Devices. Стоимость модуля – около 500 р.

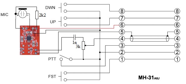
Именно его я и решил встроить в тангенту. Как известно, компрессия сигнала лишней никогда не будет, особенно для работы QRP. Схема подключения будет выглядеть следующим образом.

Микрофон я применил электретный (таблетка), и для его работы требуется внешнее питание через резистор. Выход модуля подключён через переменный резистор, чтобы понизить усиленный уровень выходного сигнала до микрофонного, так как модуль подключается вместо штатного микрофона. Между модулем и этим переменным резистором стоит конденсатор. Его номинал я подобрал под себя, чтобы сигнал был «пробивной» (со срезом низких и преобладанием высоких частот). Питание +5V берётся с 6 вывода разъёма RJ-45, который в схеме не используется.
Несколько слов по поводу конфигурации платы. На плате есть два конфигурационных резистора (R1 и R2), задающие параметры компрессии и шумоподавления. Производитель запаял постоянные, но плата предусматривает запаивание подстроечных резисторов, для чего имеются отверстия рядом. Кстати, в моём случае производитель перепутал эти два постоянных резистора местами, а у них номиналы отличаются на порядок. Поэтому всегда нужно лишний раз проверять. Я решил отпаять эти резисторы, оставив их рядом на одной ноге, и запаять подстроечные. Но подстроечные резисторы я нашёл малогабаритные (SMD), иначе бы плата не вместилась в корпус тангенты. Одним резистором выставляется коэффициент соотношения (крутизна) компрессии, а другим – уровень отсечки тихого сигнала.

При тестировании схемы звучание было отличным, пока я не закрыл крышку тангенты. Звучание ухудшилось, появился неприятный звон. Пробовал заткнуть в пустоту корпуса поролон – сильно не помогло. В итоге пришлось расположить микрофон непосредственно у отверстия переключателя TONE на задней стороне тангенты. В свою очередь, переключатель пришлось выкинуть. А микрофон пришлось поставить менее габаритный: взял его от какой-то сломанной старой мобильной радиостанции. И только в этом случае звучание при собранной тангенте не ухудшалось.
Ниже представлено несколько моих фотографий, касающихся модернизации тангенты. На первых двух фотографиях – микрофон-таблетка, от которого пришлось отказался. На последней – миниатюрный едва заметный микрофон в стороне от модуля. А на третей фотографии при увеличении можно разглядеть миниатюрные конфигурационные подстроечные резисторы, припаянные на модуль.

 |